#2机组AST电磁阀试验油压波动分析原因
2022-08-19 科威阀门
液压扳手泵电磁阀故障的排查与处理
2022-07-30 科威
PLC的输入/输出(I/O)功能(一)——离散型模块
2022-07-25 科威
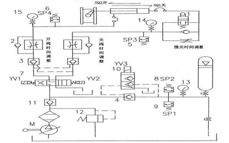
二期磨煤机出口气动插板门异常关闭原因分析
2022-07-19 科威阀门
300MW水处理二期220VAC总电源跳闸的分析心得
2022-07-18 科威电气
KW20系列插板门到位信号不发故障判断处理
2022-07-13 科威
#5机B循泵液控蝶阀关阀故障分析知识分享
2022-07-12 科威
二次再热汽轮机阀门静态试验操作说明
2022-07-11 科威