新闻动态

  • 断路器并联动态合闸电阻如何抑制滤波器合闸涌流?

    合闸电阻主要应用在500kV及以上电压等级输电线路与换流变电站交流滤波器上,在断路器合闸过程中起到抑制合闸涌流的作用。下面,具体来了解并联动态合闸电阻如何有效抑制滤波器合闸涌流?如下几点:

    2024-08-19 科威

  • 高、低压成套开关柜母线设计标准

    母线是指在成套开关柜中起到关键作用的导体,它的主要功能是连接柜间以及柜内的各种电气设备,实现电能的汇集、分配和传送。母线在开关柜中的地位举足轻重,就如同人体的血管一样,将电力源源不断地输送到各个设备中。 当发生短路故障时,母线需要承受短路电流所带来的巨大发热和电动力作用。这就要求母线具备良好的导电性能、耐热性能和机械强度,以确保在短路情况下能够稳定工作,不至于出现熔断、变形等问题,从而保障整个电力系统的正常运行。

    2024-08-19 科威

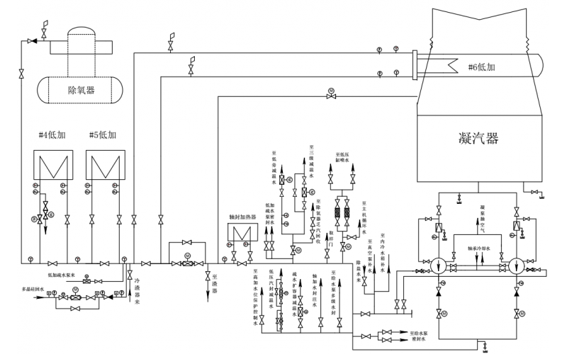
  • #6机B循环水泵出口液控蝶阀故障分析

    7月22日夜间23点多,运行通知热工值班人员“#6机B循环水泵出口液控蝶阀显示黄色故障(运行中开信号消失)”,当时到现场检查,怀疑为开到位中间继电器坏,经值长同意更换后,故障依旧,为了安全起见,综合考虑后,决定晚上暂不处理。 23日上班8点多,我们安排人员到现场检查情况。观察发现,循环水泵在运行,液控蝶阀实际开到位,就地控制柜上开到位指示灯不亮,但就地开到位和关到位接近开关指示灯都亮(开到位灯正常亮,关到位相对较暗),查看就地控制柜内PLC上的相应DI指示灯, 7、8、9三个灯都亮。13灯亮。DO输出,一个通道也没有亮。

    2024-08-16 科威

  • 凝汽器灌水查漏操作要点有哪些?

    凝汽器灌水查漏操作要点有哪些? 1.机组停运,高压缸调节级温度低于100℃。 2.凝汽器底部加装临时支撑和临时水位计,水位计上口不允许封口。 3.开启机组各段抽汽疏水门。 4.关闭主再热蒸汽冷段热段、高旁前后,导汽管、调节级、汽缸夹层疏水电动门,和低旁减温水电动门。 5.关闭A、B凝结水泵进口手动门,抽空气手动门,关闭凝结水再循环调整门。 6.关闭A、B真空泵入口手动门,气动门。

    2024-08-16 科威

  • 凝结水泵切换操作票

    1.接值长令:A凝结水泵切换至B凝结水泵; 2.检查B凝结水泵具备启动条件,密封水、轴承冷却水进出水门全开,凝结水泵抽空气门开启3圈; 3 查询B凝结水泵上一周期运行情况:运行电流 电机轴承温度 4.关闭B凝结水泵出口电动门,退出B凝结水泵联锁;

    2024-08-16 科威

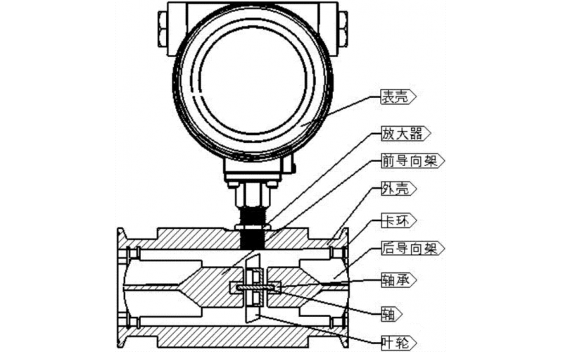
  • 涡轮流量计显示流量为零

    涡轮流量计简介: 涡轮流量计一般由传感器和显示仪两部分组成,也可做成整体式。 涡轮流量计和容积式流量计、科里奥利质量流量计称为流量计中三类重复性、精度最佳的产品,作为十大类型流量计之一,其产品已发展为多品种、多系列批量生产的规模。

    2024-08-14 科威

  • 除尘射频导纳料位计故障,有料无料均无反应

    知识点 射频导纳料位计是国际物位控制器跨世纪的前卫替代产品,在欧美国家和日本已被广泛应用,国内的用户也在用它替换旧的产品。它可以检测所有物料而不受物料的密度、颗粒大小、化学成分、沉积粘度和导电特性等参数变化的影响。广泛地应用于液体、粉体、浆体、固体等多种物料的控制。 射频导纳物位计是一种新型物位测量仪表,“导纳”为电学中阻抗的倒数,它由阻性成分、容性成分、感性成分综合而成,而“射频”即高频,因此射频导纳技术可以理解为用高频测量导纳。

    2024-08-14 科威

  • 压力显示故障,现场压力变送器无显示

    知识点 工艺设备已有压力但变送器没有压力信号输出, 原因有:取样阀门没有打开,导压管堵塞,排污阀门没有关闭;变送器供电或连接电缆故障,变送器的元器件损坏。

    2024-08-14 科威

首页
产品
新闻
联系